SAD-19光照度土壤溫度水分傳感器采集、傳輸一體化設計,超低功耗,可集成多種傳感器及變送器,智能管理、智能傳輸。傳輸距離遠,采用無線2.4G zigbee協議,抗干擾能力更強。16物理信道可選,65535個網絡ID可設,組網能力更強。適用于室內環境測量、農業大棚智能管理等。
技術參數
通用參數
供電:DC 12V(9V~28V)或電池供電(1#鋰離子電池3.6V)
工作頻段:2.4GHz
網絡:ZigBee PRO協議
通信距離:≤800m(空曠環境)
信道:16個(0x00~0x0F)
網絡ID:0x0000-0xFFFE
波特率:38400bps
數據傳輸格式主動上報
主體外殼:ABS白色147mm x 112mm x 46mm(不含探頭)
照度參數
供電:DC 12V(9V~28V)或電池供電(1#鋰離子電池3.6V)
量程:0~50000Lux / 0Lux~200000Lux
準確度:±5%F·S
分辨率:1Lux
長期穩定性:≤2%/y
工作時間:≤1s
啟動時間:≤1s
休眠時間:設置范圍60s~65535s(默認60s)
工作環境:-20℃~60℃;5%RH~95%RH(非結露)
存儲條件:-20℃~60℃;5%RH~95%RH(非結露)
功耗:最大≤0.3W
休眠≤15μW
響應時間:<30s
電池壽命:1年(1次/min,25℃±5℃,電量19Ah)
安裝方式:分體式,線長2m,標準
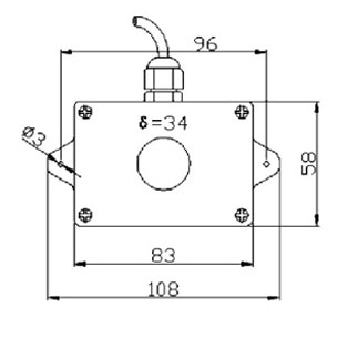
探頭外殼:ABS 108mm x 58mm x 34mm
土壤溫度參數
供電:DC 12V(9V~28V)或電池供電(1#鋰離子電池3.6V)
量程:-20℃~60℃
準確度:±0.5℃(25℃)
分辨率:0.1℃
長期穩定性:≤0.1℃/y
工作時間:≤1s
啟動時間:≤1s
休眠時間:設置范圍60s~65535s(默認60s)
工作環境:-20℃~60℃;5%RH~95%RH(非結露)
存儲條件:-20℃~60℃;5%RH~95%RH(非結露)
功耗:最大≤0.3W
休眠≤15μW
響應時間:<30s
電池壽命:1年(1次/min,25℃±5℃,電量19Ah)
安裝方式:分體式,線長3.5m,標準
土壤水分參數
供電:DC 12V(9V~28V)或電池供電(1#鋰離子電池3.6V)
量程:0%~100%
準確度:±3%(0%~50%)
分辨率:0.1
長期穩定性:≤3%/y
工作時間:≤1s
啟動時間:≤1s
休眠時間:≤15μW
工作環境:-20℃~60℃;5%RH~95%RH(非結露)
存儲條件:-20℃~60℃;5%RH~95%RH(非結露)
功耗:最大≤0.3W
休眠≤15μW
響應時間:﹤30s
電池壽命:1年(1次/min,25℃±5℃,電量19Ah)
安裝方式:分體式,線長3.5m,標準
功能特點
多種傳感器高度集成
符合2.4GHz ZigBee協議
超低功耗設計,產品壽命長
測量準確度高,抗干擾能力強
網絡節點數量大,傳輸距離遠
外形尺寸


(1)為避免測定“氣壓、溫度、濕度、雨量、光照時數、風力等”氣象要素時受到干擾,氣象站宜選擇在地勢平坦開闊且測量的氣象數據有很強的代表性的地方。觀測場四周必須空曠平坦,避免建在陡坡、洼地或鄰近有鐵路、公…...
旅游景區環境監測系統是北京方大天云公司專門為景區氣象數據監測而設計的,可以用來實時測量景區內生態環境和氣象環境因子,為景區的實時天氣狀況和生態舒適度指標等氣象數據提供準確、系統的資料。 可同時測量空氣溫…...
氣象觀測很多數據是需要在空曠的自然環境下獲得,比如日照、風,觀測場周圍都是高樓,把陽光都遮擋了,也把自然風給阻擋了,這肯定是影響探測數據的可用性的。天氣數據是存在一定的均勻性的,也就是說一片區域的氣象探…...